EPT15V električni paletar (1500 kg)
Preuzmi uputstvo
EPT15V:EPT20V(P14-15).pdf
QSLiFT EPT15V/EPT20V su električni uređaji za rukovanje paletama na litijumske baterije, stručno pozicionirani kao premijum unapređene alternative ručnim paletnim viljuškarima. Sa nazivnim nosivostima od 1500 kg (EPT15V) i 2000 kg (EPT20V), ovi električni paletni viličari obezbeđuju efikasan rad i izuzetno pouzdane performanse, savršeno zadovoljavajući sve potrebe za rukovanjem materijalom u skladištima, radionicama, fabrikama, supermarketima i svim scenarijima lagane do srednje logistike.
Njihove ključne prednosti proizilaze iz profesionalnog inženjeringa i visokokvalitetnih konfiguracija: oba modela koriste telo visoke čvrstoće i kompaktan okvir, izrađeni naprednom tehnologijom varenja i savijanja metala koja garantuje nepopustljivu strukturnu čvrstoću i produžen vek trajanja, dok lagani, aerodinamični dizajn povećava operativnu fleksibilnost — idealno za lokacije sa strogo ograničenom težinom vozila. Čelični poklopac motora debljine 4 mm i ABS plastična školjka otporna na prašinu pružaju superiornu zaštitu unutrašnjih motora, kablova i kontrolera, čuvajući ključne komponente čistim i dugotrajnim za dugoročno korišćenje. Zamenjiva litijumska baterija podržava više opcija kapaciteta (48/15/20; 24/20/30, 40, 50 V/Ah) kako bi se prilagodila različitim radnim satima, u kombinaciji sa sistemom brzog punjenja i integrisanim punjačem za izuzetnu operativnu fleksibilnost i minimalne zastoje.
Što se tiče radnog iskustva i bezbednosti, EPT15V/EPT20V dolaze sa standardnim magnetnim pomičnim ključem/ručkom, integrisanom intuitivnom kontrolom vožnje, funkcijama napred/nazad, tasterom za spor (pužev) režim za precizno manevrisanje, jasnim indikatorom nivoa baterije, hitnim obrtanjem i sirenom za komunikaciju o bezbednosti na licu mesta. Opcioni ručak sa pin-kodom dodaje dodatni nivo sigurnosti za inteligentno upravljanje flotom, dok je hidraulički sistem podizanja bez cevi prava inovacija — eliminiše rizik od curenja ulja na spojevima i cevima, značajno poboljšavajući pouzdanost hidrauličkog sistema. Opremljeni visokokvalitetnim PU (FU) točkovima (prednji: Φ210×75mm, zadnji: 480×70mm) i opcionim balans rolom, ovi paletni viličari postižu savršenu ravnotežu između sigurnosti, stabilnosti i prilagodljivosti svim tipovima podova u skladištima.
Što se tiče performansi, EPT15V/EPT20V pružaju impresivnu i kontrolisanu vožnju: maksimalna brzina kretanja je 4,5 km/h (bez tereta) / 4,2 km/h (sa teretom), sa precizno podesivim brzinama podizanja (0,017 m/s sa teretom / 0,02 m/s bez tereta) i spuštanja (0,04 m/s za oba), plus sposobnost penjanja od 6% (sa teretom) / 10% (bez tereta) za lako savladavanje blagih rampi. EPT15V je opremljen pogonskim motorom od 0,75 kW i lift motorom od 0,5 kW, dok EPT20V poseduje snažniji pogonski motor od 0,9 kW i lift motor od 0,8 kW — snaga je usklađena sa nosivošću za optimalnu efikasnost. Nivo buke pri radu je ≤70 dB(A) (po EN 12053), stvarajući ugodno radno okruženje za operatere, a elektromagnetna servisna kočnica obezbeđuje trenutnu i pouzdanu zaustavljanje za povećanu sigurnost na licu mesta. Oba modela takođe imaju napredni CAN-BUS inteligentni kontrolni sistem koji automatski prati status viličara u realnom vremenu i vrši dijagnostiku grešaka, omogućavajući glatko funkcionisanje i smanjujući potrebe za održavanjem.
Dizajniran za praktičnost korisnika i nisko održavanje, ovaj električni paletni viličar omogućava brzo menjanje baterije, lak pristup komponentama i mali radijus okretanja od 1380 mm za jednostavno manevrisanje kroz uske prolaze u skladištima. Efektivno smanjuje fizički napor operatera uzrokovan dugotrajnim ručnim povlačenjem i čestim podizanjem/spuštanjem tereta, dok dizajn šasije visoke čvrstoće znači da lagana konstrukcija (EPT15V: 142 kg, EPT20V: 145 kg) nikada ne kompromituje čvrstoću okvira ili nosivost.
Opremljeni DC kontrolom brzine za glatko i responzivno upravljanje, QSLiFT EPT15V/EPT20V su profesionalni električni alati za rukovanje koji majstorski balansiraju efikasnost, dugovečnost i jednostavnost korišćenja. Oni predstavljaju savršeno moderno rešenje za zamenu tradicionalnih ručnih paletnih viljuškara, podižući operacije rukovanja materijalom sa pametnom tehnologijom, pouzdanim performansama i udobnošću rada tokom celog dana.

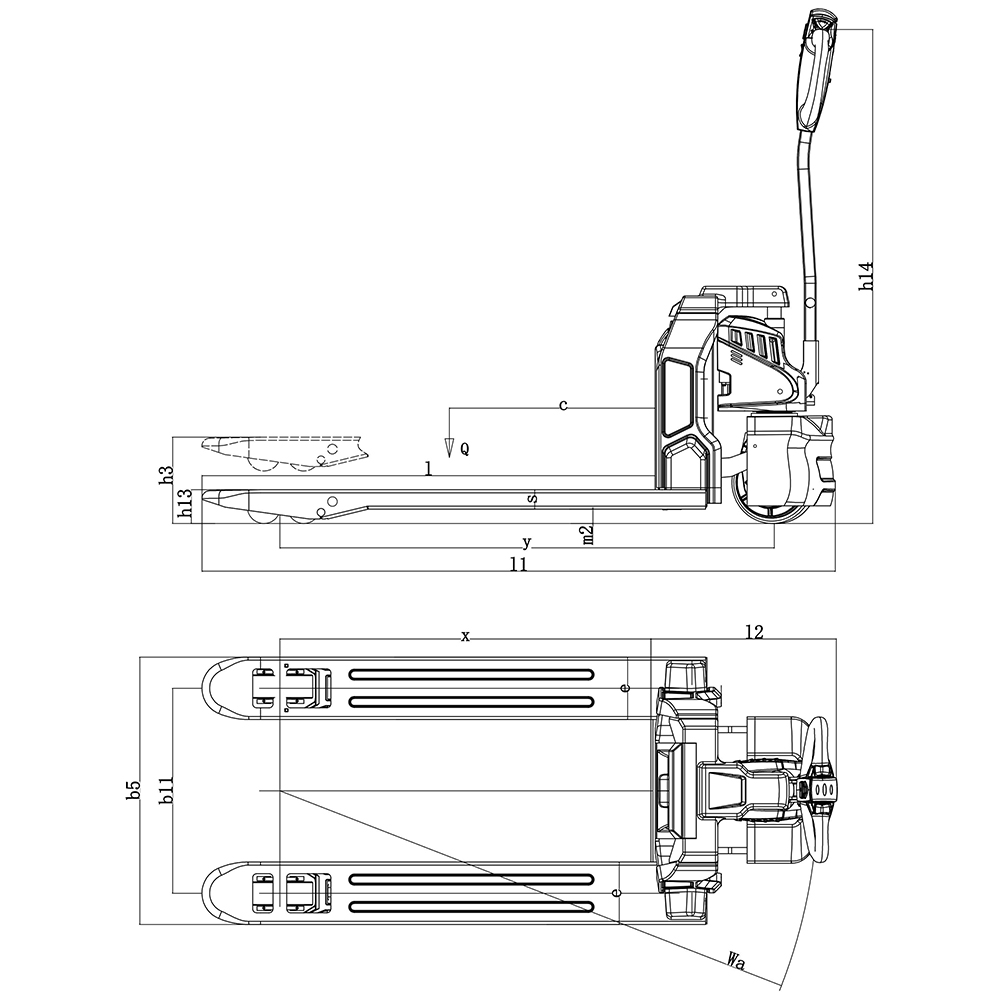
| 1.2 | Model |
| EPT15V |
| 1.3 | Drive Tvps |
| Lithium Bottery |
1.4 | Operoting Type |
| Pedestrion |
| 1.5 | Roted Capocity | Q(t) | 1,5 |
1.6 | Land Center | c(mm) | 600 |
1.8 | Lood distonce, Centre of drive oxle to fork | x (mm) | 950 |
1.9 | Wheelbose | y (mm) | 1270 |
2.1 | Service weight (Excluding Battery) | kg | 150 |
3.1 | Wheel Materiol |
| Polyurethone(PU) |
| 3.2 | Drive wheel size | ΦxW(mm) | Φ210x75 |
| 3.3 | Load roller size | ΦxW(mm) | Φ80x70/Φ80x93 |
| 3.5 | Number of wheel, Front/reor ( x=drive wheel ) |
| 1x/4 |
3.7 | Treod, lood roller | b11(mm) | 390/525 |
| 4.4 | Lifting height | h3 (mm) | 195 |
4.9 | Height ot tller in drive position min/ max. | h14 (mm) | 585/1250 |
4.15 | Lowest fark height | h13 (mm) | 85 |
| 4.19 | Overoll Length | l1(mm) | 1620 |
4.20 | Length to foce of forks | l2 (mm) | 470 |
| 4.21 | Overoll width | b1/ bi (mm) | 550/685 |
4.22 | Fork dimensions | s/e/l (mm) | 50/160/1150 |
4.25 | Width across forks | b5 (mm) | 550/685 |
4.32 | Ground cleoronce, centre of wheelbose | m2 (mm) | 35 |
4.33 | Aisle width.1000x1200 pollets (1200 ucross fork placement) | Asl (mm) | 1820 |
| 4.34 | Aisie width for pollels 800x200 lengthways | Asl(mm) | 1870 |
| 4.35 | Turning rodius | Wo (mm) | 1380 |
5.1 | Travel speed, loden/ unloden | (km/h) | 4.2/4.5 |
5.8 | Mox gradeobility, loden/ unladen | (%) | 6/30 |
5.10 | Brake |
| Electromognetic |
6,1 | Orive motor roting | (KW) | 0.75 |
| 6.2 | Liting motar roting | (KW) | 0.8 |
| 6.3 | Bottery, occ. To 0OIN 43531/35/36 A,B,C,no |
| no |
6.4 | Bottery copocity | (V/Ah) | 24/20 |
| 6.5 | Buttery weight ( ±5%) |
| 5.5 |
8.1 | Type of drive control |
| QC speed control |
| 8.4 | Sound level ot driver's eor ocC. To EN12053 | (kg) | ≤70 |
10.5 | Steering type | (dB(A)) | Mechanicol steering |


























